產品介紹
咨詢服務熱線:13957717877
產品概述
資料下載
相關產品
相關資訊


TS-GM1型機械定時器的應用
TS-GM1型24小時定時器可應用在,路燈、燈箱、霓虹燈、生產設備、農業養殖、倉庫排風除濕、自動預熱、
廣播電視等場所,應用范圍廣,性能實用,是一款非常耐用的產品。
TS-GM1型機械定時器面板與尺寸


TS-GM1型機械定時器技術參數

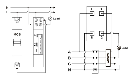
TS-GM1型機械定時器接線圖

上一個:SUL-180N型24小時定時器
下一個:GRT6-A/B單功能時間繼電器
優惠券
我們的微信
13957717877
13957796089