產品介紹
咨詢服務熱線:13957717877
產品概述
資料下載
相關產品


GRV8-01/02系列單相電壓監控型電壓繼電器產品優勢: |
1、高可靠性:工業級元器件與強化絕緣設計,長期穩定運行 |
2、操作便捷:旋鈕式參數設定,減少調試時間成本 |
3、精準監控:≤1%測量精度,提升保護動作準確性 |
4、空間高效:超薄設計優化柜內空間利用率 |
5、兼容性強:支持標準導軌安裝,適配主流工業控制系統 |
GRV8-01/02系列單相電壓監控型電壓繼電器產品特點: |
1、高精度真有效值測量 - 采用真有效值(True RMS)電壓檢測技術,在諧波干擾或波形畸變的復雜電 網環境中仍能提供準確的電壓數據,測量誤差≤1%。 |
2、靈活的工作模式配置 - 通過面板旋鈕可快速設定過壓、欠壓、窗口(過欠壓組合)等保護模式,無需輔 助工具即可完成參數調整,提升操作效率。 |
3、直觀的狀態指示系統 - 配備多色LED指示燈,實時顯示繼電器工作狀態(電源、報警、動作)、電壓異常 類型及故障類型,便于現場運維人員快速診斷系統狀態。 |
4、緊湊型工業設計 - 超薄機身寬度僅18mm,支持35mm標準DIN導軌安裝,有效節省控制柜空間;寬 溫度范圍設計(-25℃~+55℃),適應嚴苛工業環境。 |
GRV8-01/02系列單相電壓監控型電壓繼電器產品特點: |
1、關鍵設備電壓保護 - 為電動機、壓縮機、變頻器等設備提供過壓/欠壓分級保護,避免電壓異常導致的 設備損壞或停機風險。 - 集成于配電柜、控制箱中,實現對生產線核心設備的主動防護。 |
2、智能電源管理系統 - 自動監控主備電源電壓狀態,當主電源異常時觸發繼電器動作,無縫切換至備用電 源供電,保障關鍵負載持續運行。 - 適用于數據中心、醫療設施、消防系統等對供電連續性要求嚴格的場所。 |
3、能源管理輔助單元 - 配合能源管理系統,實時反饋電網電壓質量數據,為能效優化與故障預判提供依 據。 |

GRV8-01/02系列單相電壓監控型電壓繼電器型號說明: |
|
GRV8-01/02系列單相電壓監控型電壓繼電器技術參數: |
型號 | GRV8-01 | GRV8-02 |
功能 | 電壓監控 | |
電源端子(監控端) | A1(+),A2(-) | |
額定電源電壓 | DC12V,AC/DC24V-48V,AC/DC110V-240V,AC220V | |
額定電源頻率 | 45Hz-65Hz,0 | |
額定絕緣電壓 | 500V | |
額定沖擊耐受電壓 | 2.5KV | |
滯后值 | 5%-20% | 3%固定 |
電源指示燈 | 綠色LED | |
動作延時時間 | 0.1s-10s,10% | |
電壓測量誤差 | ≤1% | |
上電延時時間 | 0.5s | |
旋鈕設定精度 | 10% | |
復位時間 | 1s | |
溫度波動誤差 | 0.05%/℃,at=20℃ | |
| 輸出 | 1組轉換觸點 | |
| ||
小切換功率 | 500mW | |
輸出繼電器指示 | 紅色LED | |
機械壽命 | 1×10? | |
電壽命(阻性負載) | 1×10? | |
工作環境溫度 | -20℃~+55℃ | |
存儲和運輸環境溫度 | -35℃~+75℃ | |
安裝方式 | 35mm卡軌安裝 | |
防護等級 | IP20 | |
安裝位置 | 任意 | |
安裝海拔高度 | ≤2000米 | |
污染等級 | 2 | |
接線能力 | 1×2.5mm2或2×1.5mm20.8N ·m | |
外形尺寸 | 90mm×18mm×64mm | |
重量 | 59g | |
符合標準 | GB/T14048.5,JEC60947-5-1,EN 60255-1 | |

GRV8-01/02系列單相電壓監控型電壓繼電器產品面板: | |
| |
設定注意事項: | |
GRV8-01的錯誤設定 | GRV8-02的錯誤設定 |
|
|
圖中箭頭所指位置為錯誤的設定位 置,錯誤設定時,紅燈和綠燈同時閃 爍。更改為正確設定后需斷電重新啟 動。 通電后如果更改工作模式,紅燈和 綠燈同時閃爍,觸點保持不變,當設 定改回原先工作模式,指示燈恢復。 |
當欠壓設定值大于過壓設定值時, 紅燈和綠燈同時閃爍,觸點斷開。當 欠壓設定值小于過壓值時,指示燈和 觸點恢復。 |
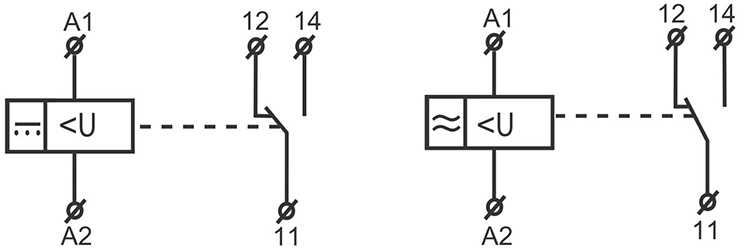
GRV8-01/02系列單相電壓監控型電壓繼電器產品接線: | |
| |

GRV8-01/02系列單相電壓監控型電壓繼電器產品功能: | |
GRV8-01功能圖: | |
| |
|
|
GRV8-02功能圖: | |
| |
U>:過壓設定值 U<:欠壓設定值 H:滯后值※ U:輸入電壓 Tt::動作延時設定時間 | |
※滯后值H示例: ■自動復位模式 ●過壓模式,過壓設定為250V,滯后率H設定為10%,則, 過壓復位值=250V×(1-10%)=225V。 ●欠壓模式,欠壓設定為180V,滯后率H設定為5%,則, 欠壓復位值=180V×(1+5%)=189V。 ■手動復位模式,H無效,復位需斷開輸入電源。 | |
GRV8-01/02系列單相電壓監控型電壓繼電器產品尺寸: | |
| |
優惠券
我們的微信
13957717877
13957796089