產品介紹
咨詢服務熱線:13957717877
產品概述
資料下載
相關產品


為何選擇GRT8-D斷電延時型時間繼電器? |
GRT8-D斷電延時型時間繼電器憑借其創新的延時機制與堅固設計,成為保障電力中 斷場景下系統安全、連續運行的基石元件。無論是守護生命安全的醫療急救設備,還是 維系公共安全的消防系統,或是工業流程穩定的控制回路,GRT8-D都能提供值得 信賴的延時解決方案,以精密的時序控制,構筑關鍵的安全防線。 |
GRT8-D斷電延時型時間繼電器產品優勢: |
GRT8-D斷電延時繼電器集精準時間控制、斷電持續運行能力、超強環境適應性及緊湊設 計于一身,其核心優勢在于: |
1、致可靠性:內置儲能機制斷電瞬間無縫接管,延時精準穩定。 |
2、部署靈活高效:超寬電壓兼容性與迷你尺寸,輕松集成于各類新舊系統。 |
3、安全關鍵保障:為應急照明、生命支持設備、消防設施等提供不可或缺的“安全時間 窗”。 |
4、運維簡便直觀:清晰的LED指示與旋鈕設定,大幅降低調試與維護成本 |
GRT8-D斷電延時型時間繼電器產品特點: |
1. 精準延時,靈活可控: 提供 0.1秒至10分鐘 的寬范圍延時設定,用戶可通過面板旋鈕直觀、便捷地進行無級 調節,滿足從瞬間響應到持續保障的不同精度需求。 |
2. 內置儲能,斷電無憂: 集成高性能儲能電容,在主電源意外中斷后,能獨立維持繼電器內部電路穩定運行, 長支撐延時動作達10分鐘,關鍵控制指令在無外電環境下可靠執行。 |
3. 超寬電壓,兼容性強: 支持 AC/DC 12V 至 240V 的超寬工作電壓范圍,輕松適配全球主流工業控制電壓標 準,簡化選型與系統集成難度。 |
4. 狀態可視,一目了然: 配備高亮LED工作狀態指示燈,實時直觀顯示繼電器運行、延時及斷電儲能狀態,便 于現場快速監控與故障診斷。 |
5. 致緊湊,節省空間: 采用超薄設計,寬度僅18mm,支持標準35mm DIN卡軌安裝,優化控制柜空間 利用率,尤其適用于高密度集成場合。 |
GRT8-D斷電延時型時間繼電器產品應用: |
GRT8-D的核心價值在于為斷電后的關鍵系統提供“安全緩沖期”,廣泛應用于: |
1、后備電源安全切換與延時關閉: - 緊急照明系統:市電故障后,應急燈持續照明足夠時間(如疏散通道指示), 待備用電源(如UPS/發電機)穩定啟動或人員安全撤離后自動關閉,避免能源浪費。 - 電壓暫降/故障保護:在主電源發生瞬間跌落或短時中斷時,維持控制回路穩定,防 止設備誤動作,待電壓恢復正常后有序執行關機或切換邏輯。 |
2、生命支持與安全設備保障: - 急救呼吸機/醫療設備:在市電中斷且備用電池啟動的過渡期,持續供氧或維持 設備關鍵功能運行,為患者生命安全爭取寶貴時間。 - 消防系統關鍵控制: · 消防門/防火卷簾控制:保障斷電后防火分隔設施能按預設時間完成關閉動作(如 延時釋放電磁鎖),阻斷火勢蔓延,同時預留安全疏散通道。 · 排煙風機控制:在市電中斷、應急電源啟動期間,維持排煙系統按預設邏輯延時 運行,人員疏散路徑暢通。 - 工業過程安全停機:控制生產設備在市電故障后執行有序停機程序(如設備冷卻、 復位),防止機械損傷或工藝中斷造成損失。 |

GRT8-D斷電延時型時間繼電器型號說明: |
|
GRT8-D斷電延時型時間繼電器技術參數: |
型號 | GRT8-D |
功能 | 斷電延時 |
電源端子 | A1-A2 |
額定控制電源電壓 | AC/DC 12-240V 50Hz |
消耗功率 | AC 0.7-3VA/DC 0.5-1.5W |
電源允許波動范圍 | -15%;+10% |
額定沖擊耐受電壓 | 2.5kV |
額定絕緣電壓 | 250V |
電源指示燈 | 綠色LED |
延時范圍 | 0.1s-10min |
設定方式 | 旋鈕 |
設定精度 | 10% |
重復精度 | 0.2% |
小上電時間 | 200ms |
溫度波動誤差 | 0.05%/℃ |
| 輸出觸點參數 | 1組轉換觸點 |
| |
小切換功率 | 500mW |
輸出繼電器指示 | 紅色LED |
機械壽命 | 1×10? |
電壽命(阻性負載) | 5×10? |
復位時間 | 200ms |
工作環境溫度 | -20℃~+55℃ |
存儲和運輸環境溫度 | -35℃~+75℃ |
安裝方式 | 35mm 卡軌安裝 |
防護等級 | IP20 |
安裝位置 | 任意 |
安裝海拔高度 | ≤2000米 |
污染等級 | 2 |
接線能力 | 1×2.5mm2或2×1.5mm20.8N·m |
外形尺寸 | 90mm×18mm×64mm |
重量 | 69g |
符合標準 | GB/T14048.5,IEC90947-5-1,EN 61812-1 |

GRT8-D斷電延時型時間繼電器產品面板: | |
| |
GRT8-D斷電延時型時間繼電器時間設定: | |
| 旋鈕1:延時檔位設定,s表示秒,m表示分 |
| 旋鈕2:延時時間細調,10%~100%可調。 |
延時時間=旋鈕1×旋鈕2。 例1: 需要設定5秒,可將旋鈕1設為10s,旋鈕2設為50%,延時時間=10s×50%=5s。 例2: 需要設定8分,可將旋鈕1設為10m,旋鈕2設為80%,延時時間=10m×80%=8m。 | |
注意事項: | |
| |
圖中箭頭所指位置為錯誤的設定位置,延時檔位只能設定在1s、10s、100s、10m四 個位置,請不要偏離刻度。 | |
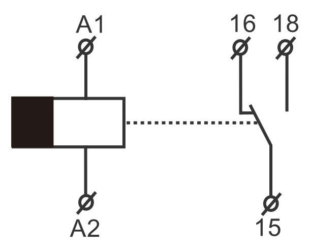
GRT8-D斷電延時型時間繼電器產品接線: | |
| |

GRT8-D斷電延時型時間繼電器產品功能: |
|
繼電器A1-A2未通電時,15-16閉合,15-18斷開,當繼電器A1-A2通電,15-16立 即斷開,15-18立即閉合,當繼電器A1-A2失電,15-18延時t后斷開,15-16延時t后閉 合。 |
注意: 1、為保證斷電后延時和動作正常,產品通電時間至少200ms,以保證產品內部儲能電容 正常充電。 2、因內置磁保持繼電器工作特性,運輸過程中可能因為強烈振動導致15-18誤閉合,安 裝后可將延時設為1秒,再通電并斷電,繼電器1秒后即可復位(15-16閉合,15-18斷開)。 |
GRT8-D斷電延時型時間繼電器產品尺寸: |
|
下一個:GRT8-M型多功能型時間繼電器
優惠券
我們的微信
13957717877
13957796089