

GSP9/GSPV8型浪涌保護器產品特點:
1、PC阻燃材質設計,使產品防護絕緣性更高。
2、搭配可拆卸式配件,可更換模塊,插拔能力強。
3、275V/385V/400V/440V四種電壓規格可選。
4、1P/2P/3P/4P四種規格可選。
5、35mm標準導軌安裝。

GPS8型浪涌保護器技術參數:
| 型號 | GSP8 |
| SPD依據“EN61643-11”分類 | 類型:1+2 |
| SPD依據“EN61643-11”分類 | L類 |
| 連續運行交流電壓(L-N)Uc | 275V |
| 連續運行交流電壓(N-PE)Uc | 255V |
| 雷電沖擊電流(10/350μs)limp | 12.5kA |
| 標稱放電電流(8/20μs)In | 20kA |
| 放電電流(8/20μs)(L-N)lmax | 50kA |
| 放電電流(8/20μs)(N-PE)lmax | 80kA |
| 電壓保護等級Up | ≤1.3kV |
| 電壓保護等級5kA以上 | ≤1.1kV |
| 備份保險絲 | 160A gL |
| 響應時間tA | ≤25ns |
| 工作溫度范圍Tu | -40℃-80℃ |
| 運行狀態/故障指示 | 綠/紅 |
| 橫截面積(小) | 6mm2 |
| 橫截面積() | 35mm2 |
| 安裝方式 | 35mm Din rail |
| 板材材質 | 熱塑性UL94-V0 |
| 防護等級 | IP20 |
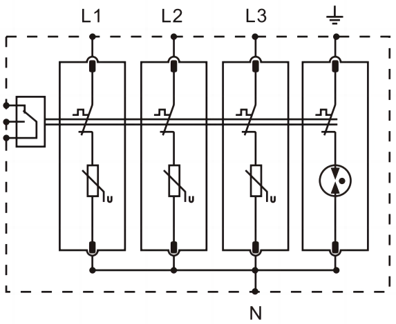
GPS8型浪涌保護器產品接線:

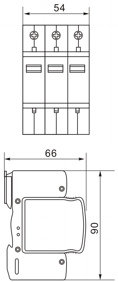
GPS8型浪涌保護器產品尺寸:



GPSV8型浪涌保護器技術參數:
| 型號 | GSPV8600 | GSPV81000 |
| SPD依據“EN61643-11”分類 | 類型 2 | 類型 2 |
| SPD依據“EN61643-11”分類 | 類型 2 | 類型 2 |
| 連續運行直流電壓Ucpv | ≤600V | ≤1000V |
| 標稱放電電流(8/20μs)In | 20 | 20 |
| 放電電流(8/20μs)Imax | 40 | 40 |
| 電壓保護等級Up | ≤2.6kV | ≤3.8kV |
| 備份保險絲 | 125A gL | 125A gL |
| 響應時間tA | ≤25ns | ≤25ns |
| 工作溫度范圍Tu | -40℃-80℃ | -40℃-80℃ |
| 運行狀態/故障指示 | 綠/紅 | 綠/紅 |
| 橫截面積(小) | 6mm2 | 6mm2 |
| 橫截面積() | 35mm2 | 35mm2 |
| 安裝方式 | 35mm Din rail |
| 板材材質 | 熱塑性UL94-VO |
| 防護等級 | IP20 |
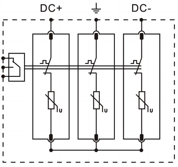
GPSV8型浪涌保護器產品接線:

GPSV8型浪涌保護器產品尺寸:

