產品介紹
咨詢服務熱線:13957717877
產品概述
資料下載
相關產品
相關資訊


為何選擇GSR3-1DA型三相固態繼電器? |
在現代工業自動化、精密控制及對可靠性要求高的場合,需要更安靜、更耐用、響 應更快的開關解決方案。GSR3-1型三相固態繼電器憑借其無觸點、長壽命、高抗干擾 性、快速響應及優異的防護性能,成為需要穩定、高效、免維護三相負載控制的理想選 擇。它特別適用于存在振動、潮濕、腐蝕性環境或需要頻繁開關、低噪音、低電磁干擾
的場所。 |
GSR3-1DA型三相固態繼電器產品優勢: |
1、高可靠性: 無機械運動部件,從根本上消除了磨損、粘連、彈跳等問題。 |
2、超長壽命: 無觸點結構使其使用壽命遠超傳統電磁繼電器。 |
3、開關迅速: 通斷速度快,可實現精確的相位控制(如零電壓開啟)。 |
4、靜音無火花: 工作過程無機械噪音,無電弧產生,安全性高。 |
5、低控制功耗: 驅動所需電流小,易于與各類邏輯電路(如PLC、單片機)接口。 |
6、強抗干擾: 輸入輸出間光電隔離,有效抑制電磁干擾(EMI)。 |
7、環境適應性強: 結構緊湊,全密封設計,耐震、防潮、防腐蝕。 |
8、內置保護: 集成阻容吸收回路,增強抗浪涌電流沖擊能力。 |
GSR3-1DA型三相固態繼電器產品特點: |
1、寬范圍低功耗驅動: - 提供寬廣的輸入控制電壓范圍,驅動電流?。ā?0mA),兼容性強,可直接由 多種控制信號(如TTL、CMOS、PLC輸出)輕松驅動。 |
2、全固態無觸點結構: - 內部不含任何可動機械部件,從根本上解決了機械磨損、觸點氧化、粘連失效等問 題,提升了產品的長期運行可靠性和使用壽命。 |
3、快速精準開關與低干擾: - 具備毫秒級的開關響應速度,支持零電壓開啟(減少浪涌電流)和零電流關斷(降 低電壓尖峰),有效減小開關過程對電網的沖擊和產生的射頻干擾(RFI)。 |
4、增強型浪涌保護: - 內部集成阻容(RC)吸收回路,有效吸收負載開關瞬間(特別是感性負載)產生的 瞬態過電壓和浪涌電流,提升產品自身及所控負載的抗沖擊能力。 |
5、高電氣隔離安全性: - 輸入控制端與輸出負載端之間采用光電耦合器實現電氣隔離,絕緣耐壓高達 2500V AC,控制回路與強電負載回路的安全隔離,保障人員和設備安全。 |
6、緊湊堅固防護佳: - 采用小型化設計,節省安裝空間;內部關鍵元件由高性能環氧樹脂灌封固化,形成 堅固的整體結構,賦予產品優異的防震、防潮、防塵及防腐蝕性能,適應嚴苛工業環境 |
GSR3-1DA型三相固態繼電器產品應用: |
GSR3-1型三相固態繼電器憑借其的性能和可靠性,廣泛應用于需要高效、可靠 控制三相交流負載的眾多領域: |
1、工業自動化與過程控制: - 數控機床、包裝機械、印刷設備、紡織機械、流水線控制、工業機器人、泵類電機 控制、風機控制等自動化設備的電機啟停與調速(配合調壓模塊)。 |
2、電加熱與溫度控制:
- 工業電爐、烘箱、注塑機溫控系統、熱壓機、恒溫恒濕設備、材料熱處理設備等電 阻性加熱元件的精確溫度調節與開關控制。 |
3、照明與信號控制: - 大功率舞臺燈光、演播廳照明、道路/交通信號燈、景觀亮化工程、工廠大功率照 明系統的開關與調光控制(配合調壓模塊)。 |
4、電力與能源設備: - 無功補償裝置(電容器組投切)、變壓器分接開關、電源切換裝置、電焊機控制。 |
5、測試設備與儀器儀表: - 大功率測試臺、老化測試設備、環境試驗箱、醫療設備(如X光機電源控制)、分 析儀器中的功率控制環節。 |
6、基礎設施與樓宇控制: - 空調系統壓縮機/風機控制、消防排煙風機控制、水泵控制、自動門/卷簾門電機控 制。 |
7、其他領域: - 橡塑機械、食品加工設備、包裝機械、自動化消防系統、辦公設備(大型打印機/ 復印機)等。 |

GSR3-1DA型三相固態繼電器型號說明: |
|
備注: |
散熱:1:不帶散熱;2:帶散熱 |
相數:1:單相;2:二相;3:三相 |
額定輸出電流:10A/25A/40A/60A/80A/100A/120A/200A |
控制類型:DA:直流控制交流;;AA:交流控制交流;DD:直流控制直流 |
過零型的控制電壓為恒流型:3-32VDC(觸發電流≥5mA) |
隨機型的控制電壓為串電阻型:4-8VDC(觸發電流≥10mA) |
GSR3-1DA型三相固態繼電器技術參數: |
輸入參數 | ||||||||
控制電壓范圍 | 70-280VDC | |||||||
小控制電流 | 5mA | |||||||
控制電流 | 10mA | |||||||
接通電壓 | 90VDC | |||||||
關斷電壓 | 50VDC | |||||||
輸出參數 | ||||||||
輸出電壓范 圍 | 24-480VAC | |||||||
規格/ 負載電流 | 10A | 25A | 40A | 60A | 80A | 100A | 120A | 200A |
| 峰值電壓 | 800 VAC | 800 VAC | 800 VAC | 1200 VAC | 1200 VAC | 1200 VAC | 1200 VAC | 1200 VAC |
| 絕緣電阻 | 1000MΩ/500VDC | |||||||
OFF狀態 | ≤8 mA rms | ≤8 mA rms | ≤8 mA rms | ≤2 mA rms | ≤2 mA rms | ≤2 mA rms | ≤ 2mA rms | ≤2 mA rms |
On狀態下 飽和壓降 | ≤1.5V | |||||||
通斷反應延時 | ≤10ms | |||||||
一般特性 | ||||||||
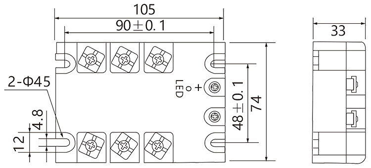
尺寸 | 105L×74W×33H | |||||||
重量 | 500g | |||||||
輸入輸出間 絕緣耐壓 | 2500V rms | |||||||
輸入輸出與 外殼間絕緣 耐壓 | 4000V rms | |||||||
環境溫度 | -20°~75℃ | |||||||
安裝方式 | 螺栓固定 | |||||||
相關認證 | CE | |||||||

GSR3-1DA型三相固態繼電器產品尺寸: |
|
GSR3-1DA型三相固態繼電器產品接線: |
|
三相交流電有兩種連接方式,分星型連接和三角形連接兩種: |
星型連接 就是把三相負載的3個末端連接在一起作為公共端,由3個首段引起3條火線 的連接方式。 |
(如A相負載用Ax表示,B相負載用By表示,C相負載用Cz表示,那就是x和y和z連一 起,引出A、B、C三根線) |
負載每相線圈承受的電壓是相電壓220伏,即火線與零線(中性線)間的電壓是220 V。 |
三角形連接 就是把三相負載的每一相的始末端依次相連的連接方式。 |
( 如A相負載用Ax表示 ,B相負載用By表示 ,C相負載用Cz表 示 , 那就是x和B相 連,y和C相連 ,z和A相連 ,引出的三根線為Bx、cy、Az) |
每相負載承受的電壓是線電壓380伏,即火線與火線間的電壓 |
上一個:SAFE-ESTOP型安全繼電器
優惠券
我們的微信
13957717877
13957796089