產品介紹
咨詢服務熱線:13957717877
產品概述
資料下載
相關產品
相關資訊


為什么選擇GSR2-1 DA型帶散熱單相固態繼電器? |
在需要可靠、安靜、長壽命切換單相交流負載的應用中,GSR2-1 DA帶散熱單相固 態繼電器(SSR)憑借其優異的性能和集成散熱設計,成為替代傳統電磁繼電器的理想 解決方案。它特別適合對開關速度、抗干擾性、環境適應性和安全性有較高要求的場合。 |
GSR2-1 DA型帶散熱單相固態繼電器產品優勢: |
1、持久可靠: 無機械觸點磨損,壽命遠超傳統繼電器。 |
2、靜音高效: 開關過程無火花、無噪音,切換速度快,效率高。 |
3、安全穩定: 輸入輸出光電隔離,抗干擾能力強,工作穩定可靠。 |
4、環境適應強: 體積小巧,環氧樹脂封裝,防潮、防震、耐腐蝕。 |
5、易于驅動: 寬輸入電壓范圍,控制電流微小(≤15mA),與常用邏輯電路兼容性 好。 |
6、安全防護: 內置阻容吸收電路,有效抑制浪涌電流沖擊,保護設備。 |
GSR2-1 DA型帶散熱單相固態繼電器產品特點: |
1、寬范圍低功耗驅動: - 提供較寬的輸入控制電壓范圍,所需驅動電流小(≤15mA),方便接入各類控 制電路(如PLC、微控制器輸出口),降低系統功耗與驅動設計復雜度。 |
2、無觸點長壽命結構: - 內部不含任何機械運動部件,從根本上消除了觸點磨損、粘連和電火花問題,顯著 延長使用壽命,提升系統整體運行可靠性,降低維護需求。 |
3、高速潔凈切換: - 具備毫秒級開關響應速度。采用零電壓開啟(減少導通沖擊)和零電流關斷(減少 電弧和干擾)技術,大幅降低開關過程產生的射頻干擾(RFI/EMI),保護周邊敏感電 子設備。 |
4、內置浪涌防護: - 集成阻容(RC)吸收回路,有效抑制負載(特別是感性負載如電機、變壓器)接通 瞬間產生的浪涌電流沖擊,增強產品自身及負載設備的安全性。 |
5、高隔離安全保障: - 輸入控制端與輸出負載端之間采用光電耦合隔離技術,絕緣耐壓高達2500V AC,確 保強弱電隔離,防止高壓竄入控制端,保障人員與設備安全。 |
6、緊湊堅固防護設計: - 產品結構小巧,內部填充高品質環氧樹脂,實現全密封封裝。這種設計提供良好的 防潮、防塵、防腐蝕(抵抗鹽霧、化學氣體等)以及優異的抗沖擊震動能力,適應苛刻 工業環境。集成散熱器設計優化了散熱效率 |
GSR2-1 DA型帶散熱單相固態繼電器產品應用: |
GSR2-1 DA憑借其穩定、安全、長壽命和抗干擾特性,尤其適合需要集成散熱的中小 功率單相交流負載控制場景,廣泛應用于: |
1、工業自動化與過程控制: - 工業電爐、烘箱、注塑機、包裝機械的溫度精確控制;電機、電磁閥、小型泵的啟 停控制;自動化生產線設備。 |
2、電力調節與照明控制: - 交通信號燈、LED照明系統、舞臺燈光調光、霓虹燈、廣告燈箱的電源切換與調節。 |
3、測試儀器與醫療設備:
- 實驗室設備、電源測試設備、醫療分析儀器、消毒設備中需要高可靠、低干擾的電 源通斷控制。 |
4、樓宇與消防系統: - HVAC系統中的風機、加熱器控制;自動噴淋滅火裝置、消防排煙系統的執行機構驅 動。 |
5、辦公與商業設備: - 復印機、打印機、自動售貨機、商用咖啡機等設備的內部大功率部件控制。 |
6、其他領域: - 電鍍設備、印刷機械、橡塑機械、充電設備等需要無火花、長壽命開關的場合。 |

GSR2-1 DA型帶散熱單相固態繼電器型號說明: |
|
備注: |
散熱:1:不帶散熱; 2:帶散熱 |
額定輸出電流:10A/25A/40A/60A/80A/100A/120A |
控制類型:DA:直流控制交流; AA:交流控制交流;DD:直流控制直流 |
過零型的控制電壓為恒流型:3-32VDC(觸發電流≥5mA) |
隨機型的控制電壓為串電阻型:4-8VDC(觸發電流≥10mA) |
GSR2-1 DA型帶散熱單相固態繼電器技術參數: |
輸入參數 | |||||||
| 控制電壓范圍 | 3-32VDC | ||||||
| 小控制電流 | 5mA | ||||||
| 控制電流 | 15mA | ||||||
| 接通電壓 | 3.5VDC | ||||||
| 關斷電壓 | 1.5VDC | ||||||
| 輸出參數 | |||||||
| 輸出電壓范圍 | 24-480VAC | ||||||
規格/負載 電流 | 10A | 25A | 40A | 60A | 80A | 100A | 120A |
| 峰值電壓 | 800 VAC | 800 VAC | 800 VAC | 1200 VAC | 1200 VAC | 1200 VAC | 1200 VAC |
| 絕緣電阻 | 1000MΩ/500VDC | ||||||
OFF狀態 下漏電流 | ≤8 mArms | ≤8 mArms | ≤8 mArms | ≤2 mArms | ≤2 mArms | ≤2 mArms | ≤2 mArms |
On狀態下 飽和壓降 | ≤1.5V | ||||||
| 通斷反應延時 | ≤10ms | ||||||
| 一般特性 | |||||||
| 尺寸 | 57.4L×44.8W×28H | ||||||
| 重量 | 100g | ||||||
輸入輸出間 絕緣耐壓 | 2500Vrms | ||||||
輸入輸出與外 殼間絕緣耐壓 | 4000Vrms | ||||||
| 環境溫度 | -20°~75℃ | ||||||
| 安裝方式 | 螺栓固定 | ||||||
| 相關認證 | CE | ||||||

GSR2-1 DA型帶散熱單相固態繼電器產品接線: |
|
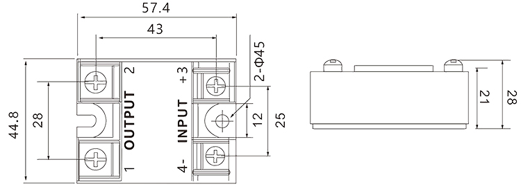
GSR2-1 DA型帶散熱單相固態繼電器產品尺寸: |
繼電器尺寸: |
|
散熱器尺寸: |
| 型號:MA |
長×寬×高(mm) 適用范圍 適用于負載實際小于10A-20A的一只長 方形單相固態繼電器(散熱器A-50,長度 50mm,以此散熱器長度為一位,A-100長 度100mm,為二位,以此類推┈ ┈) |
| 型號:MB |
長×寬×高(mm) 適用范圍 適用于負載實際電流25A~120A的一只 長方形單相固態繼電器(散熱器G-80,長 度80mm,以此散熱器長度為一位,G-160 長度160mm,為二位,以此類推┈ ┈) |
| 型號:MC |
長×寬×高(mm) 適用范圍 適用于負載實際小于60A~150A的一只 長方形工業級單相固態繼電器(散熱器 E-50,長度50mm,以此散熱器長度為一 位,E -220長度220mm,為二位,以此類 推┈ ┈) |
| 型號:MD |
長×寬×高(mm) 適用范圍 適用于負載實際小于10A~100A的一只 長方形單相固態繼電器(散熱器D-120,長 度120mm,以此散熱器長度為一位,D-240 長度240mm,為二位,以此類推┈ ┈) |
| 型號:ME |
長×寬×高(mm) 適用范圍 適用于負載實際小于35A的一只長方形 單相固態繼電器( 散熱器D-120, 長度 120mm, 以此散熱器長度為一位D -240 長度240mm,為二位,以此類推┈ ┈) |
| 型號:MF |
長×寬×高(mm) 適用范圍 適用于負載實際電流(三相總和)小于 60A-150A的一只三相固態繼電器(散熱器 C-100,長度110mm,以此散熱器長度為 一位,C-220長度220mm,為二位,以此 類推┈ ┈) |
優惠券
我們的微信
13957717877
13957796089